« Dimensions visserie ISO » : différence entre les versions
m (→Rondelles) |
m (→Rondelles) |
||
| Ligne 15 : | Ligne 15 : | ||
=== Rondelles === | === Rondelles === | ||
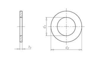
Les dimensions données dans le tableau ci-dessous (colonne "Rondelles") correspond à la norme [https://www.boutique.afnor.org/fr-fr/norme/nf-en-iso-7089/rondelles-plates-serie-normale-grade-a/fa048899/17806 ISO 7089]. | Les dimensions données dans le tableau ci-dessous (colonne "Rondelles") correspond à la norme [https://www.boutique.afnor.org/fr-fr/norme/nf-en-iso-7089/rondelles-plates-serie-normale-grade-a/fa048899/17806 ISO 7089]. | ||
[[Fichier:Rondelles std.png|néant|Rondelle standard ISO 7089|vignette| | [[Fichier:Rondelles std.png|néant|Rondelle standard ISO 7089|vignette|298x298px]] | ||
=== Inserts Taraudés "3D" === | === Inserts Taraudés "3D" === | ||
Version du 6 décembre 2025 à 20:50
Dans cette page je vais donner les mécanismes et les dimensions des principales vis, écrous (boulons), rondelles etc. utilisées en CAO mécanique.
Ces éléments sont gloalement disponibles dans le "WorkBench" "Fasteners" de FREECAD.
Seul les inserts taraudés n'y sont pas. J'ai mis les dimensions des miens achetés sur Amazon.
Premier tableau
Filetage
Sur Wikipedia on trouve la définition du filetage métrique (ISO).
Le détail des dimensions sur le tableau ci dessous colonne "Filetage".
Rondelles
Les dimensions données dans le tableau ci-dessous (colonne "Rondelles") correspond à la norme ISO 7089.
Inserts Taraudés "3D"
Ce sont des petits inserts en laiton à insérer dans des pièces imprimées en 3D.
elles s'insèrent "à chaud" . Moi j'utilise un vieux fer a souder.
Les valeurs sont sur le tableau ci dessous colonne "Inserts taraudés".
Attention il peut exister des versions avec un longueur (L) différente. Les autres valeurs restent vraies et relatives au diamètre.
Têtes cylindriques 6 pans creux.
Dans le tableau ci dessous (colonne Têtes "cylindrique 6 pans creux") on trouve les valeurs en fonction du diamètre seulement. Je ne parles pas des longueurs.
| Diamètre | Filetage | Rondelles | Inserts taraudés | Têtes cylindrique 6 pans creux | Diamètre | ||||||||||
|---|---|---|---|---|---|---|---|---|---|---|---|---|---|---|---|
| M | Pas (P) | Ø extérieur (D) | Ø percage | Ø D1 | Ø D2 | Hauteur (H) | Ø d1 | Ø d2 | Ø d3 | L* | W | dk | k | s | M |
| M2 | 0.40 | 2.00 | 1.60 | 2.20 | 5.00 | 0.30 | 3.60 | 3.10 | 3.20 | 4.00 | 1.30 | 3.80 | 2.00 | 1.50 | M2 |
| M2.5 | 0.45 | 2.50 | 2.05 | 2.70 | 6.00 | 0.50 | 4.60 | 3.90 | 4.00 | 5.70 | 1.60 | 4.50 | 2.50 | 2.00 | M2.5 |
| M3 | 0.50 | 3.00 | 2.50 | 3.20 | 7.00 | 0.50 | 4.60 | 3.90 | 4.00 | 5.70 | 1.60 | 5.50 | 3.00 | 2.50 | M3 |
| M4 | 0.70 | 4.00 | 3.30 | 4.30 | 9.00 | 0.80 | 6.50 | 5.50 | 5.60 | 8.10 | 2.10 | 7.00 | 4.00 | 3.00 | M4 |
| M5 | 0.80 | 5.00 | 4.20 | 5.30 | 10.00 | 1.00 | 7.10 | 6.30 | 6.40 | 9.50 | 2.60 | 8.50 | 5.00 | 4.00 | M5 |
| M6 | 1.00 | 6.00 | 5.00 | 6.40 | 12.00 | 1.60 | 9.70 | 7.90 | 8.00 | 12.70 | 3.30 | 10.00 | 6.00 | 5.00 | M6 |
| M7 | 1.00 | 7.00 | 6.00 | 7.40 | 14.00 | 1.60 | 10.10 | 9.50 | 9.60 | 12.70 | 4.50 | 10.00 | 7.00 | 5.10 | M7 |
| M8 | 1.25 | 8.00 | 6.80 | 8.40 | 16.00 | 1.60 | 13.00 | 8.00 | 6.00 | M8 | |||||
| M10 | 1.50 | 10.00 | 8.50 | 10.50 | 20.00 | 2.00 | 16.00 | 10.00 | 8.00 | M10 | |||||
| M12 | 1.75 | 12.00 | 10.20 | 13.00 | 24.00 | 2.50 | 18.00 | 12.00 | 10.00 | M12 | |||||
| M14 | 2.00 | 14.00 | 12.00 | 15.00 | 28.00 | 2.50 | 21.00 | 14.00 | 12.00 | M14 | |||||
| M16 | 2.00 | 16.00 | 14.00 | 17.00 | 30.00 | 3.00 | 24.00 | 16.00 | 14.00 | M16 | |||||
| M18 | 2.50 | 18.00 | 15.50 | 19.00 | 34.00 | 3.00 | 27.00 | 18.00 | 14.00 | M18 | |||||
| M20 | 2.50 | 20.00 | 17.50 | 21.00 | 37.00 | 3.00 | 30.00 | 20.00 | 17.00 | M20 | |||||
| M22 | 2.50 | 22.00 | 19.50 | 23.00 | 39.00 | 3.00 | 33.00 | 22.00 | 17.00 | M22 | |||||
| M24 | 3.00 | 24.00 | 21.00 | 25.00 | 44.00 | 4.00 | 36.00 | 24.00 | 19.00 | ||||||
* Il peut exister des inserts plus longs. Cette valeur est la valeur standard.
Second tableau
Boulon tête hexagonale
C'est le boulon standard.
Toujours pareil je ne parles pas de la longueur ici.
Têtes bombées 6 pans creux
Valeurs données tableau ci dessous dans "Tête fraisée 6 pans creux". Toujours sans parler de la longueur.
Tête fraisée 6 pans creux
| Diamètre | Tête hexagonale / écrou | Têtes bombées 6 pans creux | Tête fraisée 6 pans creux | Diamètre | |||||||
|---|---|---|---|---|---|---|---|---|---|---|---|
| M | k | s | m | dk | k | s | dk max | dk min | k | s | M |
| M2 | 1.4 | 4.00 | 1.6 | M2 | |||||||
| M2.5 | 1.50 | 5.00 | 2 | 5.00 | 4.7 | 2.5 | 1.50 | M2.5 | |||
| M3 | 2.00 | 5.50 | 2.4 | 5.7 | 1.64 | 2 | 6.72 | 5.54 | 1.86 | 2.00 | M3 |
| M4 | 2.80 | 7.00 | 3.2 | 7.6 | 2.2 | 2.5 | 8.96 | 7.53 | 2.48 | 2.50 | M4 |
| M5 | 3.50 | 8.00 | 4 | 9.5 | 2.75 | 3 | 11.20 | 9.43 | 3.1 | 3.00 | M5 |
| M6 | 4.00 | 10.00 | 5 | 10.5 | 3.3 | 4 | 13.44 | 11.34 | 3.72 | 4.00 | M6 |
| M7 | 5.20 | 11.00 | 5.5 | M7 | |||||||
| M8 | 5.30 | 13.00 | 6.5 | 17.92 | 15.24 | 4.86 | 5.00 | M8 | |||
| M10 | 6.40 | 16.00 | 8 | 22.40 | 19.22 | 8.8 | 6.00 | M10 | |||
| M12 | 7.50 | 18.00 | 10 | 26.88 | 23.12 | 6.5 | 8.00 | M12 | |||
| M14 | 8.80 | 21.00 | 11 | M14 | |||||||
| M16 | 10.00 | 24.00 | 13 | 33.60 | 29.01 | 10.6 | 10.00 | M16 | |||
| M18 | 11.50 | 27.00 | 15 | M18 | |||||||
| M20 | 12.50 | 30.00 | 16 | 40.32 | 36.05 | 11.4 | 12.00 | M20 | |||
| M22 | 14.00 | 34.00 | 18 | M22 | |||||||
| M24 | 15.00 | 36.00 | 19 | M24 | |||||||